LM4881 Headphone Amplifier

May 08, 2011

This note describes a stereo headset amplifier using the National LM4881 amplifier chip. The circuit described is suitable for driving low to intermediate power headsets or earbuds to sufficient listening levels from input line-level signals of ~ 2 Vrms. The LM4881 chip is a fairly low distortion dual-channel IC designed specifically for headphone driver applications with minimum external parts count and, for most applications, does not require heat sinking.

Performance:
     Input Impedance:   22 kohm
     Quiescent Current Draw:   4mA  @ Vdd = 4.5V
     Bandwidth:   15 Hz  to 100 kHz
     THD:   ~ 0.02 %
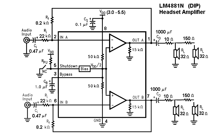
The schematic diagram shows an example of a portable circuit design used by the author as a headphone amplifier with the BDP-95 Blu-ray player. Since this player provides a line-out level of 3.32 Vp (2.35 rms), and the LM4881 uses a single-sided power supply of up to 5VDC, the circuit includes attenuation in the inverting configuration feedback loop (8.2k/22k). Also, the op-amp output uses a voltage divider to provide an overall input-to-output attenuation of -11 dB (0.28) and -24 dB (0.06) for headphones and earbuds with typical 32 ohm impedance with different sensitivity levels. Of course, user listening-level preferences can be easily accomodated by modifying the output divider network. Output drive capability is sufficient to power at least two small headsets simultaneously (Note: the pinout below refers to the DIP package) :




Proto-board layout in shielded box. Stereo inputs (left) with both RCA and 1/8" mini-phone stereo jacks.
Outputs (right) use 1/8" stereo phone jack (high-level) and 1/4" stereo phone jack with 1/8" adapter plug (low-level) .


Shielded box with compact portable 5.5VDC rechargeable battery pack.


Thermal Considerations

The LM4881 DIP package has a thermal resistance of 107 C/W and a Tjmax = 150C. For a maximum ambient temperature of 70C, the maximum allowable package dissipation is ~ 750 mw. With Vdd = 5.5V and a minimum load resistance RL of 8ohm, the total maximum package dissipation point (for the two internal amplifiers) is:

     Pdmax = (Vdd/π)^2/RL  =  383 mW
which is well within the package dissipation allowed.